Коллектор с гидрострелкой KSV 125-3, до 70 кВт, для 2 контуров

Цена по прейскуранту

571,60 €

Арт.-№

77 315 

Группа скидок: A

Основные технические данные

  • Количество контуров
    2
  • Гидравлическая стрелка
    ДА
  • Соединения со стороны системы
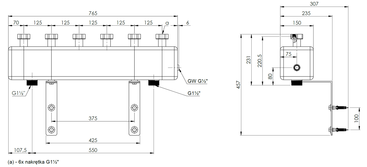
    6x гайка ВРП1½"
  • Соединения со стороны источника
    2x НРП1½"

Коллектор с гидрострелкой KSV 125-3, до 70 кВт, для 2 контуров

Приложение

  • Используется в системах отопления и охлаждения.
  • Устанавливается на стене между источником тепла или охлаждения и насосными группами.
  • Предназначен для быстрого и удобного подключения двух насосных групп PrimoTherm к источнику тепла.
  • Встроенная гидрострелка обеспечивает независимую работу контура источника тепла от контуров системы отопления.

Описание

  • Три пары подающих и обратных патрубков для насосных контуров.
  • Соединения со стороны системы, адаптированные к насосным группам PrimoTherm.
  • Оснащен теплоизоляцией.

Товары для доставки

  • Настенные кронштейны.
  • Монтажные дюбели.
  • Прокладки для присоединения нагревательных контуров.

Технические данные

  • Количество контуров
    2
  • Гидравлическая стрелка
    ДА
  • Соединения со стороны системы
    6x гайка ВРП1½"
  • Соединения со стороны источника
    2x НРП1½"
  • Расход
    max. 3,0 м³/ч
  • Мощность
    max. 70 кВт
  • Межосевое расстояние соединений со стороны системы
    125 мм
  • Давление теплоносителя
    max. 6 бар
  • Температура теплоносителя
    max. 110°C
  • Теплоноситель
    вода, смесь воды и гликоля с максимальной концентрацией 50%

Размеры (мм)

Документация