Управляющий набор ProClick: 3-ходовой поворотный смесительный клапан ARV 386 Vario ProClick, DN40, ВР1 1/2", Kvs 14-36 + электрический привод ARM 343 ProClick

Цена по прейскуранту

266,70 €

Арт.-№

13 386 54

Группа скидок: A

Основные технические данные

  • DN
    40
  • Kvs
    14-36 м³/ч
  • Соединения
    ВР1½"
  • Давление теплоносителя
    max. 10 бар

Управляющий набор ProClick: 3-ходовой поворотный смесительный клапан ARV 386 Vario ProClick, DN40, ВР1 1/2", Kvs 14-36 + электрический привод ARM 343 ProClick

Приложение

  • Клапан ARV Vario ProClick используется в системах отопления и охлаждения.
  • Обычно он устанавливается в качестве смесительного клапана на подаче системы.
  • Он смешивает потоки теплоносителя в нужных пропорциях для достижения необходимой температуры.

Описание

  • Оснащен электроприводом ARM ProClick, который в сочетании с подходящим 3-точечным регулятором автоматизирует работу клапана.
  • Корпус клапана изготовлен из латуни, с внутренней резьбой.
  • Функция Vario позволяет изменять настройку Kvs в диапазоне 14÷36 м³/ч.
  • Изменение настройки Kvs с помощью соответствующего рычага.
  • Удобная ручка с ограничителями угла поворота.
  • Диапазон поворота привода - 90 градусов.
  • Восьмиугольные соединения клапана для удобства монтажа.
  • Светодиодные индикаторы привода ARM ProClick указывают текущее направление вращения золотника клапана.
  • Устройства, оснащенные системой ProClick, позволяют осуществлять прямой монтаж привода на клапан без дополнительных инструментов.

Товары для доставки

  • Поворотный смесительный клапан ARV 386 Vario ProClick.
  • Электрический привод ARM 343 ProClick.

Технические данные

  • DN
    40
  • Kvs
    14-36 м³/ч
  • Соединения
    ВР1½"
  • Давление теплоносителя
    max. 10 бар
  • Температура теплоносителя
    max. 95°C
  • Теплоноситель
    вода, смесь воды и гликоля с максимальной концентрацией 50%
  • Контрольный сигнал
    3-точечный
  • Время поворота на 90°
    120 секунд
  • Напряжение питания
    230 В AC
  • Крутящий момент
    6 Нм
  • Электрический кабель
    2 м

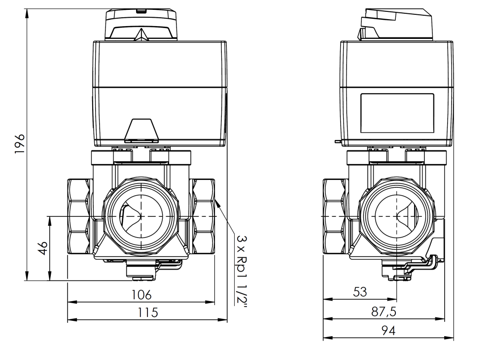
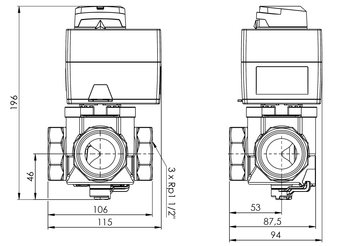
Размеры (мм)